প্ল্যান্ট লে-আউট । ফুড প্রসেস প্ল্যান্ট লে-আউট অ্যান্ড ডিজাইন

আমাদের আজকের আলোচনার বিষয় প্ল্যান্ট লে-আউট । খাদ্য প্রক্রিয়াকরণ হলো কৃষি পণ্যকে খাদ্যে রূপান্তরিত করা বা এক ধরনের খাদ্যকে অন্য আকারে রূপান্তর করা। খাদ্য প্রক্রিয়াকরণ অনেক রূপ নেয়, কাঁচা ময়দায় শস্য পিষে, বাড়িতে রান্না করা, এবং সুবিধাজনক খাবার তৈরিতে ব্যবহৃত জটিল শিল্প পদ্ধতি।

কিছু খাদ্য প্রক্রিয়াকরণ পদ্ধতি খাদ্যের অপচয় কমাতে এবং খাদ্য সংরক্ষণের উন্নতিতে গুরুত্বপূর্ণ ভূমিকা পালন করে, এইভাবে কৃষির মোট পরিবেশগত প্রভাব হ্রাস করে এবং খাদ্য নিরাপত্তা উন্নত করে।নোভা শ্রেণিবিন্যাস বিভিন্ন খাদ্য প্রক্রিয়াকরণ কৌশল অনুসারে খাদ্যকে গোষ্ঠীভুক্ত করে।

Table of Contents

প্ল্যান্ট লে-আউট

২.১ প্ল্যান্ট লে-আউট (Define plant layout) :

কোনো শিল্পকারখানা স্থাপনের ক্ষেত্রে ঐ স্থানের সর্বোত্তম ব্যবহার ও উৎপাদন খরচ কমানোর লক্ষ্যে শিল্পের জন্য প্রয়োজনীয় মেশিন, জনশক্তি, কাঁচামালের মজুদ ও উৎপাদিত পণ্য সংরক্ষণ, পর্যাপ্ত আলো-বাতাস, ড্রেনেজ ইত্যাদি বিষয় গুরুত্বের সাথে বিবেচনা করে যে নকশা তৈরি করা হয়, তাকে প্ল্যান্ট লে-আউট বলে।

প্ল্যান্ট লে-আউট বা নকশা চিত্র অঙ্কনে নিম্নলিখিত বিষয়গুলো বিবেচনা করা উচিত:

১। ফ্লোর স্পেসের বা মেঝের জায়গার সর্বোচ্চ ব্যবহার নিশ্চিত করা।

২। শ্রমিক-কর্মচারীদের এক অপারেশন থেকে অন্য অপারেশনে মুভমেন্ট বা চলাফেরা সীমিত রাখা।

৩। মেশিন, জনশক্তি ও মালামালের সর্বোত্তম সুযোগ-সুবিধা।

৪। কম সুপারভিশন কার্য।

৫। পর্যাপ্ত লাইটিং ও ভেন্টিলেটিং ব্যবস্থা।

৬। নিরাপত্তা ব্যবস্থার উন্নয়ন।

৭। সঠিক উৎপাদন নিয়ন্ত্রণ।

৮। সহজে মালামাল স্থানান্তরের সুযোগ।

৯। উৎপাদিত পণ্যের মূল্য কমিয়ে আনা।

১০। যথাযথ বর্জ্য ব্যবস্থাপনা নিশ্চিত করা।

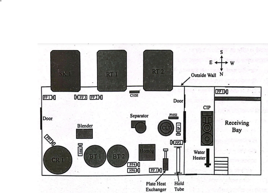
নিম্নে কয়েকটি ফুড প্ল্যান্টের নকশা চিত্র দেয়া হলো :

প্ল্যান্ট লে-আউট
ফুড প্রসেসিং ল্যাব এর লে-আউট

 

Plant layout

প্ল্যান্ট লে-আউট
ফ্রুট প্রসেসিং প্ল্যান্ট লে-আউট

 

Process room

 

প্ল্যান্ট লে-আউট
ডেইরি প্ল্যান্ট লে-আউট
প্ল্যান্ট লে-আউট
ডেইরি প্ল্যান্ট লে-আউট

 

২.২ প্ল্যান্ট লে-আউটের শ্রেণিবিভাগ (Classify the plant layout) :

শিল্পকারখানার লে-আউট মূলত চার প্রকার-

১। প্রোডাক্ট বা লাইন লে-আউট (Product or line layout)

২। প্রসেস বা ফাংশনাল লে-আউট (Process or functional layout)

৩। সেলুলার বা গ্রুপ লে-আউট (Cellular or group layout)

৪। ফিক্সড পজিশন লে-আউট (Fixed position layout) ।

২.৩ প্রোডাক্ট এবং প্রসেস লে-আউট (Definition of product and process layout) :

প্রোডাক্ট বা লাইন লে-আউট: কী ধরনের পণ্য উৎপাদন করা হবে তার উপর ভিত্তি করে যে লে-আউট করা হয়, তাকে প্রোডাক্ট লে-আউট বলে। সাধারণত যে-সকল শিল্পকারখানায় একই ধরনের পণ্য উৎপাদিত হয় ঐ সকল শিল্পকারখানা স্থাপনের ক্ষেত্রে প্রোডাক্ট বা লাইন লে-আউট করা হয়। এক্ষেত্রে কাঁচামালসমূহ একদিকে প্রবেশ করে প্রক্রিয়াজাত হয়ে অন্যদিকে ফাইনাল প্রোডাক্ট হিসেবে বের হয় ফলে প্রোডাক্ট হ্যান্ডেলিং কস্ট সর্বনিম্ন পর্যায়ে থাকে।

প্ল্যান্ট লে-আউট
প্রোডাক্ট বা লাইন লে-আউট

প্রোডাক্ট বা লাইন লে-আউটের ব্যবহার:

নিম্নোক্ত ক্ষেত্রে প্রোডাক্ট লে-আউট ব্যবহৃত হয় :

১। যন্ত্রপাতির যথার্থ ব্যবহার এবং উচ্চমাত্রার উৎপাদনশীলতায়

২। স্ট্যান্ডার্ড প্রোডাক্ট উৎপাদনের ক্ষেত্রে

৩। উৎপাদন প্রক্রিয়ার স্থিতিশীলতা আনয়নের ক্ষেত্রে

৪। প্রোডাক্টের নিরবচ্ছিন্ন উৎপাদনের ক্ষেত্রে।

প্রোডাক্ট ল-আউটের সুবিধা:

প্রোডাক্ট লে-আউটের সুবিধাগুলো নিম্নরূপ:

১। পণ্য নাড়াচাড়া কম করতে হয়।

২। প্রক্রিয়াজাতকরণ সহজ হয়।

৩। শ্রমিকদের দক্ষতা বৃদ্ধি পায় ফলে শ্রমঘন্টা কম অপচয় হয়।

৪। জায়গার যথাযথ ব্যবহার হয়।

৫। স্পারভিশন এবং কোয়ালিটি কন্ট্রোল সহজ।

৬। সম্পদের যথাযথ ব্যবহার হয়।

প্রোডাক্ট লে-আউটের অসুবিধা:

প্রোডাক্ট লে-আউটের অসুবিধাগুলো নিম্নরূপ:

১। এ ধরনের উৎপাদন প্রক্রিয়ায় যথার্থভাবে লাইন ব্যালেন্স করতে না পারলে সমগ্র উৎপাদন প্রক্রিয়া ব্যাহত হয়।

২। পণ্য উৎপাদনের পরিমাণ বাড়ানো যায় না।

প্রসেস বা ফাংশনাল লে-আউট: এ ধরনের লে-আউট উৎপাদন প্রক্রিয়া বিচার-বিশ্লেষণ করে তৈরি করা হয়। এক্ষেত্রে সমগ্র প্রক্রিয়াকে কতকগুলো শাখায় বা ক্ষুদ্র ক্ষুদ্র অংশে ভাগ করে প্রসেসিং-পূর্ববর্তী কাজগুলো সম্পন্ন করা হয় এবং শেষে সবগুলোর সমন্বয়ে চূড়ান্ত প্রক্রিয়া সম্পন্ন করা হয়। অল্প মাত্রায় উৎপাদন করার ক্ষেত্রে ফাংশনাল বা প্রসেস লে-আউট করা হয়। এ ধরনের লে- আউট ব্যবহারে খরচ কম এবং উৎপাদন প্রক্রিয়ার মৌলিক ধাপসমূহ সম্পাদিত হয়।

প্ল্যান্ট লে-আউট
প্রসেস বা ফাংশনাল লে-আউট

প্রসেস লে-আউটের সুবিধা:

প্রসেস লে-আউটের সুবিধাগুলো নিম্নরূপ:

১। যন্ত্রপাতির যথার্থ ব্যবহার।

২। প্রসেস লাইন সহজেই পরিবর্তন করা যায়।

৩। প্রত্যেক শ্রমিকের অতিরিক্ত পারিশ্রমিক অর্জনের সুযোগ।

৪। এ ধরনের লে-আউটে উৎপাদন প্রক্রিয়া সহজে বাধাগ্রস্ত হয় না।

সেলুলার বা গ্রুপ লে-আউট। এটি একটি বিশেষ ধরনের ফাংশনাল (যন্ত্রপাতির ব্যবহার অপচয়রোধী) লে-আউট যাতে সকল সুযোগ-সুবিধা নিপুণভাবে কতকগুলো সেলের মাধ্যমে একত্রে বুক্ত করা হয়।

প্ল্যান্ট লে-আউট
সেলুলার বা গ্রুপ লে-আউট

 

ফিক্সড পজিশন লে-আউট: উচ্চমূল্যের একক পণ্য বৃহৎ পরিসরে উৎপাদনের জন্য এ ধরনের লে-আউট ব্যবহৃত হয়। এ সকল শিল্পে পণ্যটি স্থির থাকে কিন্তু শ্রমিক ও প্রয়োজনীয় যন্ত্রপাতি বিভিন্ন স্থান হতে এনে কর্মসম্পাদন করা হয় যেমন, জাহাজ নির্মাণ শিল্প।

প্ল্যান্ট লে-আউট
ফিক্সড পজিশন লে-আউট

২.৩.১ দ্রব্যভিত্তিক ও প্রক্রিয়াভিত্তিক বিন্যাসের তুলনা (Differences between product layout and process layout) :

উৎপাদিত দ্রব্যের চাহিদা অনুসারে দ্রব্যভিত্তিক বিন্যাস করা হয়। অন্যদিকে, প্রক্রিয়ার সুবিধা অনুসারে প্রক্রিয়াভিত্তিক বিন্যাস করা হয়। নিম্নে উভয় প্রকার বিন্যাসের তুলনা করা হলোঃ

দ্রব্যভিত্তিক বিন্যাস
প্রক্রিয়াভিত্তিক বিন্যাস
১। দ্রব্যের চাহিদার আলোকে বিন্যস্ত থাকে।
১।দ্রব্য উৎপাদনের প্রসেস বা প্রক্রিয়ার আলোকে বিন্যস্ত থাকে।
২। একই যন্ত্র বা প্রক্রিয়া একাধিক বার ব্যবহৃত হয়।
২।যন্ত্রাদি কিংবা প্রক্রিয়া দ্বৈত ব্যবহারের সুযোগ নেই।
৩। দ্রব্য অনুক্রমণে নমনীয়তা নেই।
৩।অনুক্রমণে উল্লেখযোগ্য নমনীয়তা রাখা হয়।
৪। মালামাল চালনের ব্যয় কম।
৪।মালামাল চালনের ব্যয় অধিক।
৫। বিশেষায়নের সুযোগ কম।
৫।বিশেষায়নের সুযোগ অধিক।
৬।নিয়ন্ত্রণ ব্যবস্থা সহজ।
৬।নিয়ন্ত্রণ ব্যবস্থা সরলীকৃত নয়।
৭। ন্যূনতম স্থানের প্রয়োজন।
৭।অধিক স্থানের প্রয়োজন হয়।
৮। তদরকি কার্য জটিল ও ব্যয়বহুল।
৮।তদারকি কার্য তত জটিল নয়।
৯। গোষ্ঠীগত প্রণোদনা সম্ভব কিন্তু ব্যক্তিগত প্রণোদনা অনুপস্থিত।
৯।ব্যক্তিগত প্রণোদনা সম্ভব তবে গোষ্ঠীগত প্রণোদনা অনুপস্থিত।
১০। উৎপাদন কার্যকলাপ স্কুল এবং মজুত মালের পরিমাণ কম।
১০।উৎপাদন কার্যকাল দীর্ঘ এবং মজুত মালের পরিমাণ বেশি থাকে।
১১। একটি সরল যন্ত্র বা প্রক্রিয়া বন্ধ হলে সমস্ত উৎপাদন কার্যক্রম বন্ধ হয়ে যায়।
১১।একটি প্রক্রিয়া বন্ধ হলে উৎপাদন কার্যক্রম সম্পূর্ণ বন্ধ হয় না।
১২। অধিক মূলধন বিনিয়োগ করতে হয়।
১২।স্বল্প মূলধনেই উৎপাদনে যাওয়া যায়।
১৩। কর্মীদের স্বল্প নৈপুণ্য থাকলেই চলবে।
১৩।কর্মীদের অধিক নৈপুণ্যের প্রয়োজন হয়।
১৪। অবিরাম ও ব্যাপক উৎপাদনের জন্য ব্যবহৃত হয়।
১৪।সবিরাম ও স্বল্প উৎপাদনের জন্য ব্যবহৃত হয়।

২.৪ প্ল্যান্ট লে-আউটের উদ্দেশ্যসমূহ (Mention the objectives of plant layout) :

একটি উপযুক্ত প্ল্যান্ট লে-আউটের মাধ্যমে নিম্নোক্ত সুবিধাসমূহ পাওয়া যায়:

১ । কোনো শিল্পকারখানার ওয়ার্কিং এরিয়ার যথার্থ ও কার্যকর ব্যবহার নিশ্চিত করা যায়। ২। কোনোপ্রকার বিঘ্ন না ঘটিয়ে কার্যবস্তু একস্থান হতে অন্যস্থানে স্থানান্তর করা যায়।

৩। উৎপাদন সক্ষমতা/প্রোডাকশন ক্যাপাসিটির সর্বোত্তম ব্যবহার হয়।

৪। মালামাল স্থানান্তরে খরচ কম হয়।

৫। কর্মদক্ষতা বৃদ্ধি পায়।

৬। দুর্ঘটনা হ্রাস পায়।

৭। উৎপাদন প্রক্রিয়া সহজতর হয়।

৮। সুপারভিশন ও কন্ট্রোল সহজতর হয়।

৯। শ্রমিকদের স্বাস্থ্যগত নিরাপত্তা নিশ্চিত করা সহজ হয়।

১০। যন্ত্রপাতি রক্ষণাবেক্ষণ ও মেরামত সহজ হয়।

১১। উৎপাদনশীলতা বৃদ্ধি পায়।

১২। উৎপাদিত পণ্যের মূল্য কমিয়ে আনা সম্ভব হয়।

১৩। উৎপাদনের ধারাবাহিকতা ও স্বাভাবিক গতি নিশ্চিত করা যায়।

১৪। যন্ত্র ও শ্রমিকের মধ্যে সমন্বয়সাধন করা যায়।

১৫। ভবিষ্যৎ পরিবর্তন ও সম্প্রসারণ সহজ হয়।

১৬। কারখানার অভ্যন্তরে পর্যাপ্ত আলো, বাতাস, পানি, বিদ্যুৎ ইত্যাদি সুবিধা নিশ্চিত করা যায়।

২.৫ লে-আউটের মূলনীতি (Principles of layouts) :

একটি ফুড প্ল্যান্টের লে-আউট তৈরির ক্ষেত্রে অবশ্যই নিম্নোক্ত নীতিগুলো অনুসরণ করতে হবে:

১। অল্প নাড়াচাড়া (Minimum movement): কাঁচামাল ও প্রক্রিয়াজাত পণ্য, গুদামজাতকরণ এলাকা এবং শ্রমিকদের অপেক্ষাকৃত কম হাঁটাচলার মাধ্যমে এবং সমগ্র কার্যক্রম সম্পাদনের মাধ্যমে সময় ও খরচে মিতব্যয়ী হতে হবে।

২। জায়গার যথার্থ ব্যবহার (Proper use of space) : আনুভূমিক ও উল্লম্ব (Hoizontal & Vertical) সকল জায়গার যথাযথ ব্যবহার নিশ্চিত করতে হবে।

৩। নমনীয়তা (Flexibility): কারিগরি উন্নয়ন ও সম্প্রসারণের জন্য প্ল্যান্টের যে-কোনো পরিবর্তনের ক্ষেত্রে পর্যাপ্ত সুযোগ থাকতে হবে।

৪। পারস্পরিক নির্ভরশীলতা (Interdependence): পারস্পরিক নির্ভরশীল অপারেশন অ্যান্ড প্রসেস যতদূর সম্ভব কাছাকাছি সম্পাদিত/সম্পাদন করতে হবে, যাতে পণ্যসমূহ কম পরিবহণ করতে হয়।

৫। সার্বিক কার্যসমূহের সমন্বয় (Overall integration): সমগ্র প্ল্যান্টে বিভিন্ন ধাপে যে-সকল কার্য সম্পাদিত হয় তাদের মধ্যে সমন্বয়সাধন করে একটি প্রক্রিয়ার মাধ্যমে স্বল্প খরচে উৎপাদন কার্য সম্পন্ন করতে হবে।

৬। নিরাপত্তা (Safety): প্ল্যান্ট লে-আউট ডিজাইন এমনভাবে করতে হবে যাতে কর্মরত শ্রমিক-কর্মচারীদের সর্বোচ্চ নিরাপত্তা নিশ্চিত করা যায়।

৭। উৎপাদন প্রক্রিয়া সহজীকরণ (Simplifying production process) : উৎপাদন প্রক্রিয়ায় সকল প্রকার জটিলতা পরিহার করে সহজ ও ধারাবাহিক/বিরতিহীনভাবে উৎপাদন কার্যক্রম পরিচালনা করার মতো সুযোগ প্ল্যান্ট লে-আউটে থাকা উচিত।

৮। মিতব্যায়িতা (Economy): প্ল্যান্ট লে-আউট এমনভাবে করতে হবে যাতে বিনিয়োগকারীর বিনিয়োগ সর্বোচ্চ মাত্রায় স্থায়ী সম্পদে রূপান্তরিত হয়।

৯। পর্যবেক্ষণ (Supervision) : একটি আদর্শ লে-আউটে সকল কর্মচারী-কর্মকর্তাগণের কার্যসমূহ সহজেই পর্যবেক্ষণের সুযোগ থাকতে হবে।

১০। সন্তুষ্টিবিধান (Satisfaction): একটি আদর্শ লে-আউটে শ্রমিক-কর্মচারীদের কর্মক্ষেত্রে প্রয়োজনীয় সকল সুযোগ-সুবিধা নিশ্চিত করতে হবে, যেমন- টয়লেট, ক্যান্টিন, বিশ্রাম ইত্যাদি।

১১। পর্যাপ্ত লাইটিং ও ভেন্টিলেশন ব্যবস্থা (Proper lighting & ventilation system) : লে-আউটে পর্যাপ্ত আলো-বাতাস’ প্রবেশ এবং দূষিত বায়ু বের হবার ব্যবস্থা থাকতে হবে।

এক নজরে প্ল্যান্ট লে-আউটের মূলনীতি:

  • অল্প নাড়াচাড়া (Minimum movement)
  • জায়গার যথার্থ ব্যবহার (Proper use of space)
  • নমনীয়তা (Flexibility)
  • পারস্পরিক নির্ভরশীলতা (Interdependence)
  • সার্বিক কার্যসমূহের সমন্বয় (Overall integration)
  • নিরাপত্তা (Safety)
  • উৎপাদন প্রক্রিয়া সহজীকরণ (Simplifying production process)
  • মিতব্যায়িতা (Economy)
  • পর্যবেক্ষণ (Supervision)
  • সন্তুষ্টিবিধান (Satisfaction)
  • পর্যাপ্ত লাইটিং ও ভেন্টিলেশন ব্যবস্থা (Proper lighting & ventilation system)

২.৬ প্ল্যান্ট ও ফ্যাক্টরি লে-আউট প্ল্যানিং-এর টুলস ও পদ্ধতিসমূহ (Explain the methods and tools of plant & factory layouts) :

ফুড প্ল্যান্ট লে-আউট প্লানিং-এ সাধারণত নিম্নলিখিত টুলস ও পদ্ধতি ব্যবহৃত হয়:

১। অপারেশন প্রসেস চার্ট (Operation process chart)

২। ফ্লো-প্রসেস চার্ট (Flow process chart)

৩। ফ্লো-ডায়াগ্রাম (Flow diagram)

৪। স্ট্রিং ডায়াগ্রাম (String diagram)

৫। মেশিন ডাটা কার্ড (Machine data card)

৬। টেমপ্লেট (Template)

৭। স্কেল মডেল (Scale model)

৮। লে-আউট ড্রয়িং (Layout drawing)।

অপারেশন প্রসেস-চার্ট (Operation process chart) : অপারেশন প্রসেস চার্ট এর মাধ্যমে উৎপাদন প্রক্রিয়ার সকল মেশিনের কার্যপদ্ধতি নির্ধারিত হয়। অপারেশন প্রসেস চার্ট মূলত নতুন কোনো পণ্য উৎপাদনের ক্ষেত্রে বহুলভাবে ব্যবহৃত হয়। এর মাধ্যমে খুব সহজেই উৎপাদিত পণ্যের উৎপাদন প্রক্রিয়া বুঝানো যায়। প্রসেস চার্টের মাধ্যমে সহজেই উৎপাদন প্রক্রিয়ায় সৃষ্ট সমস্যা দূরীকরণ, সহজীকরণ, সমন্বয়সাধন ও উৎপাদন প্রক্রিয়ার পুনর্বিন্যাস ও মান উন্নয়ন ইত্যাদি বিষয় পর্যালোচনা করা যায়।

ট্রো-প্রসেস চার্ট (Flow process chart): ফ্লো-প্রসেস চার্টের মাধ্যমে উৎপাদন প্রক্রিয়ার সকল কর্মকাণ্ড চিত্রের মাধ্যমে প্রকাশ করা যায়। এর মাধ্যমে উৎপাদন এলাকায় উৎপাদিত পণ্যের উৎপাদন প্রক্রিয়ার প্রতিটি কাজ কী পদ্ধতিতে এবং কত সময়ে সম্পাদিত হয় তা সহজেই প্রকাশ করা যায়।

ফ্লো-ডায়াগ্রাম (Flow diagram): ফ্লো-ডায়াগ্রামের মাধ্যমে ফ্লো-প্রসেস চার্টে বর্ণিত উৎপাদন প্রক্রিয়ার কাঁচামাল, যন্ত্রপাতি, উৎপাদিত পণ্যের গুদামজাতকরণ, সরবরাহের পথ ইত্যাদি চিত্রের মাধ্যমে প্রকাশ করা হয়।

স্ট্রিং ডায়াগ্রাম (String diagram): স্ট্রিং ডায়াগ্রাম একটি সাধারণ কৌশল, যা সাধারণত কোনো উৎপাদন প্রক্রিয়ার কার্যপদ্ধতি, যন্ত্রপাতি ও উৎপাদিত পণ্যের গুণগতমান প্রাথমিকভাবে যাচাই করার জন্য ব্যবহৃত হয়। এককথায় বলা যায়, কোনো পণ্যের উৎপাদন প্রক্রিয়া পাইলটিং করার জন্য স্ট্রিং ডায়াগ্রাম ব্যবহৃত হয়।

মেশিন ডাটা কার্ড (Machine data card): এতে যন্ত্রপাতি বা মেশিনের লে-আউট স্থাপন বা পুনর্বিন্যাসের জন্য সকল তথ্য- উপাত্ত সন্নিবেশিত থাকে। এ কার্ডে মেশিনের কর্মক্ষমতা/কর্মদক্ষতা, জ্বালানির চাহিদা এবং মেশিনটির জন্য কতটুকু জায়গার প্রয়োজন এবং এর সাথে আরো অন্য কোনো মেশিনের দরকার আছে কি না ইত্যাদি বিষয়ে জানা যায়।

টেমপ্লেট (Template) : টেমপ্লেট পদ্ধতিতে কোনো প্ল্যান্ট স্থাপনের জন্য নির্দিষ্ট মেশিন ও যন্ত্রপাতির প্রতিকৃতি কাগজের মাধ্যমে তৈরি করে মডেল তৈরি করা হয়। এ পদ্ধতিটি একটি গুরুত্বপূর্ণ পদ্ধতি কারণ এর মাধ্যমে যন্ত্রপাতি, আসবাবপত্র ইত্যাদির অপ্রয়োজনীয় নাড়াচাড়া প্রতিহত করা যায়।

স্কেল মডেল (Scale model): স্কেল মডেল একটি খ্রি-ডাইমেনশনাল/ত্রিমাত্রিক লে-আউট, যার মাধ্যমে ঐ প্ল্যান্টের বাস্তব চিত্র, কালার কোড ব্যবহার করে সহজে ও সঠিকভাবে উপস্থাপন করা যায়। স্কেল মডেল বহুসংখ্যক মেশিন, টুলস, ইকুইপমেন্ট, বেঞ্চ স্টোরেজ, কাপ-বোর্ড ইত্যাদি স্থাপনের ক্ষেত্রে বহুলভাবে ব্যবহৃত হয়।

লে-আউট ড্রয়িং (Layout drawing): লে-আউট ড্রয়িং এর মাধ্যমে প্ল্যান্টের ওয়াল, কলাম, সিঁড়ি, মেশিন ও অন্যান্য যন্ত্রপাতি স্টোরেজ এরিয়া এবং অফিস এরিয়া সবকিছু যথাযথভাবে প্রকাশ করা যায়।

২.৭ বিভিন্ন পণ্যের খাদ্য প্রক্রিয়াজাতকরণ প্ল্যান্ট লে-আউটের বৈশিষ্ট্য (Criteria of a good food processing plant layout for different products) :

নিম্নে একটি প্ল্যান্ট লে-আউটের বৈশিষ্ট্যসমূহ উল্লেখ করা হলো:

১। জায়গার যথার্থ ব্যবহার (Efficient space utilization) : একটি আদর্শ লে-আউটে জায়গার যথাযথ ব্যবহার নিশ্চিত করতে হবে। কোনোভাবেই জায়গা অকার্যকর অবস্থায় ফেলে রাখা যাবে না। যন্ত্রপাতি, সার্ভিস পয়েন্ট এবং শ্রমিকদের এমনভাবে বিন্যস্ত করত হবে যেন জায়গার যথাযথ ব্যবহার নিশ্চিত হয়।

২। নমনীয়তা (Flexibility): প্রক্রিয়াজাতকরণ পদ্ধতি, যন্ত্রপাতি, পণ্যের ধরন ইত্যাদি সময়ের সাথে পরিবর্তিত হতে পারে। তাই প্ল্যান্ট লে-আউট ডিজাইন এমনভাবে করতে হবে যাতে যে-কোনো পরিবর্তন সম্ভবপর হয়। অর্থাৎ সময়ের চাহিদা অনুযায়ী যেন প্রক্রিয়াজাতকরণ পদ্ধতি পরিবর্তন করা যায় এবং শিল্পকারখানা সম্প্রসারণ করা যায় সেভাবে প্ল্যান্ট লে-আউট করতে হবে।

৩। তত্ত্বাবধান ও নিয়ন্ত্রণ সহজ (Easy of supervision & control): প্ল্যান্ট লে-আউট এমন হবে যাতে সমগ্র উৎপাদান প্রক্রিয়ার সুপারভিশন ও নিয়ন্ত্রণ সহজ হয়।

৪। পণ্য নাড়াচাড়ার খরচ (Economy in handling): লে-আউট ডিজাইন এমনভাবে করতে হবে যাতে পণ্য নাড়াচাড়া বা ম্যাটেরিয়াল হ্যান্ডেলিং, কাজের অগ্রগতি এবং উৎপাদিত পণ্য সংরক্ষণে খরচ কম হয়।

৫। অল্প নাড়াচাড়া (Minimum movement) : লে-আউট ডিজাইন এমনভাবে করতে হবে যাতে শ্রমিক-কর্মচারীর চলাফেরা ও মেশিন নাড়াচাড়া কম করতে হয়। যতদূর সম্ভব ডাইরেক্ট মুভমেন্টের ব্যবস্থা থাকতে হবে। পণ্যের পরোক্ষ নাড়াচাড়া বা ইনডাইরেক্ট হ্যান্ডেলিং কোনো মূল্য সংযোজন ছাড়াই ব্যয় বাড়ায়। তাই পরোক্ষ মুভমেন্ট পরিহার করতে হবে।

৬। সমন্বয় নিশ্চিতকরণ (Ensuring co-ordination): একটি আদর্শ লে-আউটে সকল অপারেশনের মধ্যে সমন্বয় থাকতে হবে। লে-আউটে যন্ত্রপাতি, বিভিন্ন বিভাগ ও ব্যক্তির মধ্যে আন্তঃসম্পর্ক থাকবে।

৭। বর্জ্য অপসারণ (Effluent disposal): একটি আদর্শ লে-আউটে শিল্পবর্জ্য অপসারণের উপযুক্ত ব্যবস্থা থাকবে।

২.৮ প্ল্যান্ট লে-আউট পদ্ধতি (Procedure of plant layout) :

নিম্নে প্ল্যান্ট লে-আউটের পদ্ধতি বর্ণনা করা হলো:

প্রথম ধাপ:তথ্যসংগ্রহ

⇒ কোন পণ্য উৎপাদিত হবে তা নির্বাচন করা।

⇒ কত পরিমাণ উৎপাদিত হবে তা নির্ধারণ করা।

⇒ কী কী উপাদান ক্রয় করতে হবে তা নির্বাচন করা।

⇒ প্রয়োজনীয় প্রক্রিয়াসমূহ কী কী তা নির্বাচন করা।

⇒ অপারেশনের ধাপসমূহ নির্বাচন করা।

⇒ প্রত্যেক অপারেশনের জন্য সময় নির্ধারণ করা।

দ্বিতীয় ধাপ: প্রোডাকশন অ্যান্ড ফ্লো-অ্যানালাইসিস (Production and flow analysis)

⇒ প্ল্যান্ট রেট নির্ধারণ (R)

⇒ মেশিনের সংখ্যা নির্ধারণ

⇒ প্রোডাকশন লাইনের সমতা

⇒ প্রয়োজনীয় উৎপাদন বিশ্লেষণ

⇒ সংশ্লিষ্ট কার্যপ্রণালি নির্ধারণ

⇒ প্রতিটি কর্মক্ষেত্রের লে-আউট।

তৃতীয় ধাপ : সাপোর্ট সার্ভিস (Support service)

⇒ ব্যক্তিগত ও প্ল্যান্টের চাহিদা শনাক্তকরণ।

⇒ অফিসের প্রয়োজনীয়তা নির্ধারণ।

⇒ প্রয়োজনীয় জায়গার উন্নয়ন।

⇒ মালামাল স্থানান্তরের যন্ত্রপাতি নির্বাচন।

⇒ প্রয়োজনীয় জায়গা বরাদ্দ।

⇒ স্থাপনার জায়গা ও স্থাপনার উন্নয়ন।

চতুর্থ ধাপ: ইপ্লিমেন্টেশন অ্যান্ড ইভ্যালুয়েশন (Implementation and evaluation)

⇒ মাস্টার প্ল্যান তৈরি

⇒ প্রয়োজনীয় কাঁচামালের যোগান অনুসন্ধান ও সমন্বয়

⇒ অনুমোদন

⇒ স্থাপন

⇒ পরীক্ষামূলক চালনা

⇒ যাচাই করা।

২.৮.১ ফুড প্ল্যান্ট লে-আউটের মডেল তৈরিকরণ (Development of the layout model for a food plant) :

 

প্ল্যান্ট লে-আউট
ফুড প্ল্যান্ট লে-আউট মডেল

 

২.৮.২ প্ল্যান্ট লে-আউট পরিকল্পনার ধারাবাহিক প্রক্রিয়া (Systematic layout planning procedure) :

 

প্ল্যান্ট লে-আউট
Systematic layout planning procedure

 

২.৮.৩ ফুড প্ল্যান্ট ডিজাইন ও লে-আউটে ব্যবহৃত চিহ্ন বা সিম্বলসমূহ (Symbols used for food plant design and layout) :

প্ল্যান্ট লে-আউট
ভালভ
প্ল্যান্ট লে-আউট
লাইন সিম্বল

Fluid handling:

 

প্ল্যান্ট লে-আউট

 

Heat transfer:

 

প্ল্যান্ট লে-আউট প্ল্যান্ট লে-আউট

 

MASS TRANSFER:

প্ল্যান্ট লে-আউট

প্ল্যান্ট লে-আউট
Mass transfer

CONVEYORS AND FEEDERS:

প্ল্যান্ট লে-আউট

SEPARATORS:

প্ল্যান্ট লে-আউট

PROCESS CONTROL AND INSTRUMENTATION SYMBOLS

প্ল্যান্ট লে-আউট

প্ল্যান্ট লে-আউট
Process control and instrumentation symbols

 

আরও দেখুন : 

Leave a Comment